国务院关于印发《2024—2025年节能降碳行动方案》的通知
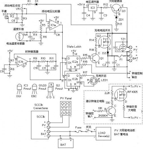
太阳能控制器工作原理图
来源:新能源网
时间:2011-10-17 11:08:55
热度:
太阳能控制器工作原理图 太阳能电池板属于光伏设备(主要部分为半导体材料),它经过光线照射后发生光电效应产生电流。由于材料和光线所具有的属性和局限性,其生成的电流也是具有
太阳能电池板属于光伏设备(主要部分为半导体材料),它经过光线照射后发生光电效应产生电流。由于材料和光线所具有的属性和局限性,其生成的电流也是具有波动性的曲线,如果将所生成的电流直接充入蓄电池内或直接给负载供电,则容易造成蓄电池和负载的损坏,严重减小了他们的寿命。因此我们必须把电流先送入太阳能控制器,采用一系列专用芯片电路对其进行数字化调节,并加入多级充放电保护,同时采用我公司独有的控制技术“自适应三阶段充电模式”,确保电池和负载的运行安全和使用寿命。

太阳能控制器工作原理图
对负载供电时,也是让蓄电池的电流先流入太阳能控制器,经过它的调节后,再把电流送入负载。这样做的目的:一是为了稳定放电电流;二是为了保证蓄电池不被过放电;三是可对负载和蓄电池进行一系列的监测保护。
若要使用交流用电设备,还需要在负载前加入逆变器逆变为交流。本控制器完全按照国家工业标准所规定内容而研发设计,其涉及内容请参阅《GB/T19064-2003家用太阳能光伏电源系统技术条件和试验方法》及其它相关资料。

太阳能控制器工作原理图
对负载供电时,也是让蓄电池的电流先流入太阳能控制器,经过它的调节后,再把电流送入负载。这样做的目的:一是为了稳定放电电流;二是为了保证蓄电池不被过放电;三是可对负载和蓄电池进行一系列的监测保护。
若要使用交流用电设备,还需要在负载前加入逆变器逆变为交流。本控制器完全按照国家工业标准所规定内容而研发设计,其涉及内容请参阅《GB/T19064-2003家用太阳能光伏电源系统技术条件和试验方法》及其它相关资料。
上一篇:太阳能控制器的作用
-
如何提高太阳能电池效率2024-08-16
-
太阳能热水器的组成部分2011-10-26
-
太阳能光伏发电系统2011-10-24
-
什么是太阳能热发电2011-10-23
-
太阳能热水器安装方法2011-10-22
-
太阳能控制器的作用2011-10-17
-
10月17日太阳能价格行情2011-10-17
-
单晶硅太阳能电池功率已达到20%2011-10-13
-
10月13日太阳能价格行情2011-10-13
-
太阳能掀起新能源产业高潮2011-10-12
-
提高太阳能光伏产品智能高效的方法2011-10-12
-
保定太阳能光伏发电形成完整产业体系2011-10-10
-
有机太阳能电池研究获突破2011-10-10
-
太阳能光伏行业之痛2011-10-10
-
意大利提出太阳能风力发电桥的设计理念2011-10-09